| Sign In | Join Free | My components-electronic.com |
|
Brand Name : Original Factory
Model Number : FF300R08W2P2B11ABOMA1
Certification : Lead free / RoHS Compliant
Place of Origin : CN
MOQ : 10
Price : Contact for Sample
Payment Terms : T/T, L/C, Western Union
Delivery Time : 5-8 work days
Packaging Details : Module
Part Number : FF300R08W2P2B11ABOMA1
Voltage - Collector Emitter Breakdown (Max) : 750 V
Current - Collector (Ic) (Max) : 200 A
Power - Max : 20 mW
Current - Collector Cutoff (Max) : 1 mA
Operating Temperature : -40°C ~ 150°C (TJ)
Automotive IGBT Modules FF300R08W2P2B11ABOMA1 750V 300A Half Bridge IGBT Module
Detailed Description Of FF300R08W2P2B11ABOMA1
FF300R08W2P2B11ABOMA1 is a very compact and flexible product for inverter applications of hybrid and electric vehicles. This 750 V, automotive power module is optimized for inverter applications of hybrid and electric vehicles combining EDT2 IGBT with flexible and cost effective EasyPACK™, PressFIT technology, and integrated NTC for up to 500V / 230Arms enabling inverter designs around 50kW.
Product Attributes Of FF300R08W2P2B11ABOMA1
| Part Number | FF300R08W2P2B11ABOMA1 |
| Configuration | 2 Independent |
| Voltage - Collector Emitter Breakdown (Max) | 750 V |
| Current - Collector (Ic) (Max) | 200 A |
| Power - Max | 20 mW |
| Vce(on) (Max) @ Vge, Ic | 1.18V @ 15V, 200A |
| Current - Collector Cutoff (Max) | 1 mA |
| Input Capacitance (Cies) @ Vce | 53 nF @ 50 V |
| Input | Standard |
| NTC Thermistor | Yes |
| Operating Temperature | -40°C ~ 150°C (TJ) |
| Mounting Type | Chassis Mount |
| Package / Case | Module |
| Supplier Device Package | AG-EASY2B-3 |
Benefits Of FF300R08W2P2B11ABOMA1
Potential Applications Of FF300R08W2P2B11ABOMA1
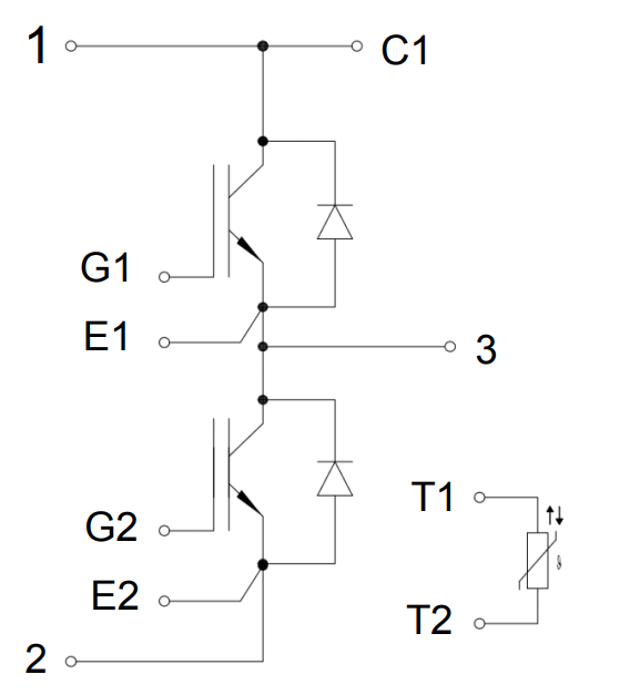
Circuit Diagram Of FF300R08W2P2B11ABOMA1

Other Supply Product Types
| Part Number | Package |
| FF300R08W2P2B11ABOMA1 | Module |
| FS03MR12A6MA1BBPSA1 | Module |
| FS03MR12A6MA1LBBPSA1 | Module |
| FS05MR12A6MA1BBPSA1 | Module |
| F3L600R10W4S7FC22BPSA1 | Module |
| F3L400R10W3S7B11BPSA1 | Module |
| FS3L200R10W3S7FB11BPSA1 | Module |
| FF900R12ME7B11NPSA1 | Module |
| FF900R12ME7WB11BPSA1 | Module |
| AB1562A | VFQFN40 |
| AB1562F | VFQFN40 |
| AB1561 | QFN32 |
| AB1568A | QFN |
| QCC-3046-0-WLNSP94B-TR-01-0 | BGA |
| QCC-5141-0-WLNSP94B-TR-01-0 | WLCSP-94 |
| QCC-5151-0-WLNSP94B-TR-02-0 | WLCSP-94 |
| WQ7033A | QFN |
| AB1562AN | QFN |
| AB1562FN | QFN |
| BES2500YP-60 | BGA |
| BES2500Z-80 | BGA |
| AB1526P | BGA |
| AB1532 | BGA |
| AB1536 | BGA |
| AB1531 | BGA |
| CW6626B | TSSOP-20 |
| ATS300X | QFN |
| BES2300 | BGA |
| RTL8763BFR | QFN |
| QCC-3020-0-CSP90-TR-00-0 | BGA |
FAQ
Q. Are your products original?
A: Yes, all products are original, new original import is our purpose.
Q:Which Certificates do you have?
A:We are ISO 9001:2015 Certified Company and member of ERAI.
Q:Can you support small quantity order or sample?Is the sample free?
A:Yes,we support sample order and small order.Sample cost is different according to your order or project.
Q:How to ship my order? Is it safe?
A:We use express to ship,such as DHL,Fedex,UPS,TNT,EMS.We can also use your suggested forwarder.Products will be in good packing and ensure the safety and we are responsible to product damage to your order.
Q:What about the lead time?
A:We can ship stock parts within 5 working days.If without stock,we will confirm lead time for you based on your order quantity.
|
|
Automotive IGBT Modules FF300R08W2P2B11ABOMA1 750V 300A Half Bridge IGBT Module Images |